Beschreibung des Moduls
Köchereinspannung Stahl

Mit dem Programm Stahlträger sind Sie in der Lage, die erforderlichen Nachweise für die Einspannung von Stahlstützen in Betonfundamente zu führen. Die Nachweise der Betonpressung erfolgt nach EC2.
System, Nachweise
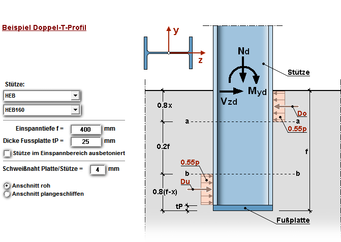
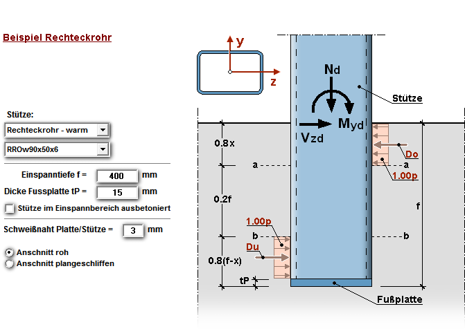
Die Systeme

Folgende Nachweise werden geführt:
- Betonpressung an der Fußplatte
- Betonpressung im Köcher
- Bemessung der Fussplatte mit dem Nachweisverfahren elastisch-elastisch, jedoch wahlweise unter Ansatz der plastischen Beiwerte alpha,pl.
- Nachweis der Schweißnaht zwischen Stütze und Platte
- Nachweis der erforderlichen Einspanntiefe
- Nachweis des Stützenprofils im eingespannten Bereich

Systemeingabe
Systemeingabe:
Es stehen folgende Profilarten zur Wahl:
- IPE,
- IPEa,
- IPEo,
- IPEv,
- HEA,
- HEAA,
- HEB,
- HEM,
- Quadratrohr, warm,
- Quadratrohr, kalt
- Rechteckrohr, warm,
- Rechteckrohr, kalt,
- Rundrorhr warm,
- Rundrohr kalt.

Eingabe der Lasten:
Die Lasten werden als Designlasten eingegeben. Neben der Auflast (Stützendruckkraft Nd) können Horizontalkräfte (Querkraft Vzd) umd Momente (Myd) wirken.

Einspanntiefe:
Für die Berechnung der erforderlichen Einspanntiefe werden zwei Verfahren angeboten:

Schweißnaht:
Für das gewählte System wird die Mindestdicke und die maximal zulässige Dicke der Schweißnaht ermittelt und angezeigt.


Materialien, Profile
Folgende Stahlarten können berücksichtigt werden:
S235- S355

Stützenprofile:
Folgende Stützenprofile sind stehen zur Auswahl:
IPE, IPEa, IPEo, IPEv, HEA, HEAA, HEB, HEM, Quadratrohr, Rechteckrohr, Rundrorhr

Betone des Köchers :
Für die Köcher können folgende Betone gewählt werden:
Betone C12/15 bis C50/60

Hinweise
Hinweise:
Hinweis zur Bemessung:
Wenn alpha,pl angesetzt werden soll, dann werden alle Spannungsnachweise für die Fußplatte und die Stütze mit den Werten 1,14 bzw. 1,25 für alpha,pl bemessen.
Das Programm erhöht die aufnehmbare Spannung für den Nachweis der Vergleichsspannung bei der Stütze automatisch um 10%, wenn die Ausnutzung für die Längsspannung kleiner/ gleich 80% ist. Dies erfasst die zulässige örtliche Plastizifierung nach DIN 10800 beim Nachweis elastisch-elastisch.

Hinweis zur Berechnung der erforderlichen Einspanntiefe:
Es werden dem Anwender zwei Nachweisverfahren angeboten:
- Verfahren nach Mang/Koch/Stiglat/Seiler
- Verfahren nach Bär/Kahlmeyer (Ringbuch).
Bei dem Verfahren nach Mang/Koch/Stiglat/Seiler sind folgende Regeln zu beachten:
- Betongüte >= C20/25
- schlaufenartige Bewehrung in Köcherwandung
- Köcherwanddicke t > Profilbreite b
- die Köcherwandung ist rauh auszubilden
- Vergussbeton muss > C20/25 sein

Hinweis zu den Schweißnähten zwischen Stütze und Fußplatte:
Bei den Schweißnähten unterscheidet das Programm zwischen rohem- und geschliffenem Anschnitt. Bei rohem Anschnitt erfolgt die Bemessung der Schweißnaht für die volle Druckkraft, bei plangeschliffenem Anschnitt erfolgt die Bemessung für 10% der Druckkraft. Da es sich um Kehlnähte handelt, wird die Grenzschweißnahtspannung nach EC3 bei S235 nur mit 95% von fyd und bei S355 mit 80% von fyd angesetzt (Faktor alpha,w).


Weitere Screenshots: Bild klicken.


![]() |
Beispiel 1: Köchereinspannung Stahl - HEB-Profil |
![]() |
Beispiel 2: Köchereinspannung Stahl - Rundrohr |


Das Programm Köchereinspannung Stahl wird regelmäßig weiterentwickelt. Folgende Tabelle zeigt den aktuellen Entwicklungsstand:
17/01.1
• nun auch Übernahme von Bemessungslasten aus Stahlstütze möglich
15/12.1
• Korrektur Grafik Verfahren Ringbuch
15/09.1
• nun auch Profile aus Profildatenbank wählbar (Doppel-T, Rundrohre, Rechteckrohre)
15/02.1
• für Rohre wird nun wahlweise Beulnachweis geführt
13/02.1
• nun Verfahren nach Stahlbau 81 (2012), Heft 11 möglich
12/07.1
Umstellung / Ergänzung auf Eurocode
10/04.1
• zum gewählten Programm sind seit dieser Version keine Veränderungen vorgenommen worden.

Änderungen / Erweiterungen vor 2010 werden hier nicht aufgelistet. Für Informationen über Versionen 09/11.1 und älter klicken Sie bitte hier.












